legines.com
ল্যাং
3500# ব্রাস ফিটিং 90 ডিগ্রি কনুই পাইপ ফিটিং

3500# ব্রাস ফিটিং 90 ডিগ্রি কনুই পাইপ ফিটিং

পণ্য বৈশিষ্ট্য: বাজার:
■■ সমস্ত পিতল নির্মাণ ■■ শিল্প
■■ এর কার্যকরী প্রয়োজনীয়তা পূরণ করে ■■ নির্মাণ
SAE J530 এবং SAE J531 ■■ ভারী শুল্ক ট্রাক
■■ ড্রাইসিয়াল স্ট্যান্ডার্ডে তৈরি থ্রেড ■■ মোবাইল
■■ উভয় ভুলে যাওয়া এবং এক্সট্রুশন উপলব্ধ ■■ কারখানা/প্রক্রিয়া অটোমেশন

অ্যাপ্লিকেশন: সামঞ্জস্যপূর্ণ টিউবিং:
■■ এয়ার লাইন ■■ তামা
■■ জল লাইন ■■ পিতল
■■ শীতল লাইন ■■ আয়রন পাইপ

স্পেসিফিকেশন:
চাপ 1000 পিএসআই পর্যন্ত পরিসীমা
তাপমাত্রা -65˚ থেকে 250˚F পরিসীমা

সাধারণ অ্যাপ্লিকেশন:
গ্রীস, জ্বালানী, এলপি এবং প্রাকৃতিক গ্যাস, রেফ্রিজারেশন.ইনস্ট্রুমেন্টেশন এবং হাইড্রোলিক সিস্টেম

সম্মতি:
এএসএ, এএসএমই এবং এসএই এর স্পেসিফিকেশন এবং মানগুলি পূরণ করে।

রেফারেন্স অংশ নং:
2200p -3500 -302 -200 -28001 থেকে 28005 -100

আমাদের সাথে যোগাযোগ করুন

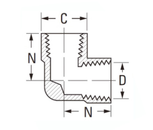
স্পেসিফিকেশন

অংশ# থ্রেড আকার ডি এন এন
3500-এ 1/8 × 1/8 9/16 .219 .66 .47
3500-বি 1/4 × 1/4 11/16 .315 .91 .72
3500-সি 3/8 × 3/8 13/16 .438 .97 .78
3500-ডি 1/2 × 1/2 1 " .562 1.25 1.03
3500-ই 3/4 × 3/4 1 "-1/4 .750 1.38 1.12

রেফ

ব্রাস থেকে তৈরি, আমাদের 90-ডিগ্রি কনুই শিল্প ও নির্মাণ অ্যাপ্লিকেশনগুলির চাহিদা মেটাতে তৈরি করা হয়। নকল পিতলগুলি এক্সট্রুড পণ্যগুলির তুলনায় আরও টেকসই, শক্ত এবং বাঁকানোর সম্ভাবনা কম। আমাদের ব্রোঞ্জ ফিটিংগুলিতে শক এবং কম্পনের প্রতি আরও ভাল প্রতিরোধ রয়েছে। আমরা বায়ু লাইন, জল লাইন, কুলিং লাইন এবং আরও অনেক কিছু সহ সমস্ত শিল্প অ্যাপ্লিকেশনগুলিতে প্রকল্পগুলির জন্য নকল এবং এক্সট্রুড পাইপ ফিটিং উভয়ই সরবরাহ করি। ব্রাস ফিটিংগুলি সর্বোচ্চ মানের মানের সাথে উত্পাদিত হয়। ফোরজিং প্রক্রিয়া থেকে থ্রেডিং এবং শেষ সমাপ্তি পর্যন্ত প্রতিটি পর্যায় যথার্থ সরঞ্জামগুলির সাথে পরীক্ষা করা হয়। এই ফিটিংগুলি SAE J530 এবং SAE J531 এর কার্যকরী প্রয়োজনীয়তাগুলি পূরণ করে, যখন SAE স্ট্যান্ডার্ড SAE J514 এবং ASME B16.21 এর সাথে সামঞ্জস্যপূর্ণ থাকে our আমাদের 90 ডিগ্রি কনুই উচ্চ মানের ব্রাস থেকে তৈরি করা হয়, একটি শক্তিশালী এবং টেকসই কাঠামো সরবরাহ করে। আমরা বড় বোর টিউবিং মাপের জন্য দুটি পৃথক বার্ব কনফিগারেশন সহ কারখানা এবং ট্রাক মাউন্টিং উভয় বিকল্প সরবরাহ করি। আপনি কোনও প্রতিস্থাপনের সন্ধান করছেন বা আপনার সিস্টেমটি আপগ্রেড করতে চান না কেন, ক্রাউস-হাইন্ডগুলি সহায়তা করতে পারে

আমাদের সাথে যোগাযোগ

সম্পর্কে লেগাইন

লেজাইনস ইন্ডাস্ট্রিয়াল মেশিনারি ইনক।

একজন পেশাদার চীন ব্রাস ফিটিংস প্রস্তুতকারক হিসাবে এবং ফিটিং সরবরাহকারীদের উপর চাপ দেয় it এটি সম্পূর্ণ সিএনসি মেশিনিং গ্রহণ করে এবং 3600 বর্গমিটার ওয়ার্কশপ অঞ্চলটির মালিক। 45 স্বয়ংক্রিয় মেশিন সরঞ্জাম, 35 আধা-স্বয়ংক্রিয় সিএনসি মেশিন সরঞ্জাম, পাশাপাশি বিতরণকারীরা যারা চীনে আমেরিকান স্ট্যান্ডার্ড ব্রাস অংশগুলি উত্পাদনের জন্য গুরুত্বপূর্ণ সরবরাহকারী হয়েছেন ...
  • সম্মান
  • সম্মান

নির্দেশাবলী & সংবাদ