legines.com
ল্যাং
3300# রিডুসার কাপলিং পাইপ ফিটিং

3300# রিডুসার কাপলিং পাইপ ফিটিং

পণ্য বৈশিষ্ট্য: বাজার:
■■ সমস্ত পিতল নির্মাণ ■■ শিল্প
■■ এর কার্যকরী প্রয়োজনীয়তা পূরণ করে ■■ নির্মাণ
SAE J530 এবং SAE J531 ■■ ভারী শুল্ক ট্রাক
■■ ড্রাইসিয়াল স্ট্যান্ডার্ডে তৈরি থ্রেড ■■ মোবাইল
■■ উভয় ভুলে যাওয়া এবং এক্সট্রুশন উপলব্ধ ■■ কারখানা/প্রক্রিয়া অটোমেশন

অ্যাপ্লিকেশন: সামঞ্জস্যপূর্ণ টিউবিং:
■■ এয়ার লাইন ■■ তামা
■■ জল লাইন ■■ পিতল
■■ শীতল লাইন ■■ আয়রন পাইপ

স্পেসিফিকেশন:
চাপ 1000 পিএসআই পর্যন্ত পরিসীমা
তাপমাত্রা -65˚ থেকে 250˚F পরিসীমা

সাধারণ অ্যাপ্লিকেশন:
গ্রীস, জ্বালানী, এলপি এবং প্রাকৃতিক গ্যাস, রেফ্রিজারেশন.ইনস্ট্রুমেন্টেশন এবং হাইড্রোলিক সিস্টেম

সম্মতি:
এএসএ, এএসএমই এবং এসএই এর স্পেসিফিকেশন এবং মানগুলি পূরণ করে।

রেফারেন্স অংশ নং:
377 -3300 -208p -108 -119b -119ah

আমাদের সাথে যোগাযোগ করুন

স্পেসিফিকেশন

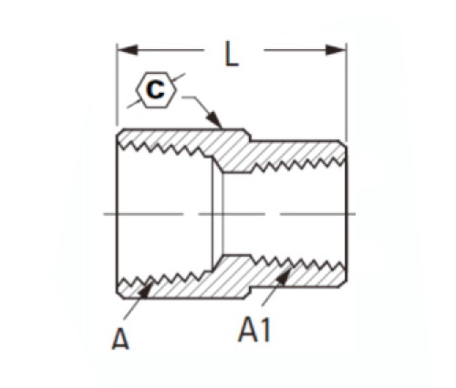
অংশ# থ্রেড আকার এল
3300-বা 1/4 × 1/8 3/4 .97
3300L-BA 1/4 × 1/8 5/8 .83
3300-সিএ 3/8 × 1/8 7/8 .94
3300-সিবি 3/8 × 1/4 7/8 1.16
3300 এল-সিবি 3/8 × 1/4 13/16 1.00
3300L-DA 1/2 × 1/8 15/16 1.19
3300-ডিবি 1/2 × 1/4 1-1/16 1.28
3300L-DB 1/2 × 1/4 15/16 1.11
3300-ডিসি 1/2 × 3/8 1-1/16 1.38
3300 এল-ডিসি 1/2 × 3/8 15/16 1.19
*3300-ইসি 3/4 × 3/8 1-3/16 1.19
*3300-এড 3/4 × 1/2 1-3/16 1.19

*Sae চশমা না

* Ref.sae.no.130138

*এল: হালকা

এফএম 3300 সিরিজ রিডুসার কাপলিং পাইপ ফিটিংগুলি পাইপিং সিস্টেমে 2 টি বিভিন্ন ব্যাসের টিউবগুলিতে যোগদানের জন্য ব্যবহৃত হয়, সরাসরি কনফিগারেশনের মাধ্যমে। স্ট্যান্ডার্ড SAE পাইপ রিডুসার কাপলিং পুরুষ প্রান্ত এবং মহিলা প্রান্তে একটি ওয়েল্ডের সাথে। SAE J530, SAE J531 এবং অন্যান্য শিল্প অ্যাপ্লিকেশনগুলির কার্যকরী প্রয়োজনীয়তা পূরণ করে। সমস্ত ব্রাস নির্মাণ এই ফিটিংকে ভারী শুল্ক ট্রাক অ্যাপ্লিকেশনগুলির জন্য উপযুক্ত করে তোলে। ড্রাইসিয়াল স্ট্যান্ডার্ডগুলিতে তৈরি থ্রেডগুলি তামা নল এবং পাইপের সাথে সামঞ্জস্যপূর্ণ।
আমাদের ফিটিংটি ব্রাস কাপলিং শেষ সহ 100% অ্যালো এবং উপকরণ থেকে তৈরি। এই ফিটিংটি 1000 পিএসআই পর্যন্ত চাপের জন্য পরীক্ষা করা হয়েছে। সমস্ত ক্যামলক এবং ফিটিং সহ একটি চাপযুক্ত সিলিন্ডারে আসে

আমাদের সাথে যোগাযোগ

সম্পর্কে লেগাইন

লেজাইনস ইন্ডাস্ট্রিয়াল মেশিনারি ইনক।

একজন পেশাদার চীন ব্রাস ফিটিংস প্রস্তুতকারক হিসাবে এবং ফিটিং সরবরাহকারীদের উপর চাপ দেয় it এটি সম্পূর্ণ সিএনসি মেশিনিং গ্রহণ করে এবং 3600 বর্গমিটার ওয়ার্কশপ অঞ্চলটির মালিক। 45 স্বয়ংক্রিয় মেশিন সরঞ্জাম, 35 আধা-স্বয়ংক্রিয় সিএনসি মেশিন সরঞ্জাম, পাশাপাশি বিতরণকারীরা যারা চীনে আমেরিকান স্ট্যান্ডার্ড ব্রাস অংশগুলি উত্পাদনের জন্য গুরুত্বপূর্ণ সরবরাহকারী হয়েছেন ...
  • সম্মান
  • সম্মান

নির্দেশাবলী & সংবাদ