legines.com
ল্যাং
3151# ব্রাস ফিটিংস স্কয়ার হেড প্লাগ পাইপ ফিটিং

3151# ব্রাস ফিটিংস স্কয়ার হেড প্লাগ পাইপ ফিটিং

পণ্য বৈশিষ্ট্য: বাজার:
■■ সমস্ত পিতল নির্মাণ ■■ শিল্প
■■ এর কার্যকরী প্রয়োজনীয়তা পূরণ করে ■■ নির্মাণ
SAE J530 এবং SAE J531 ■■ ভারী শুল্ক ট্রাক
■■ ড্রাইসিয়াল স্ট্যান্ডার্ডে তৈরি থ্রেড ■■ মোবাইল
■■ উভয় ভুলে যাওয়া এবং এক্সট্রুশন উপলব্ধ ■■ কারখানা/প্রক্রিয়া অটোমেশন

অ্যাপ্লিকেশন: সামঞ্জস্যপূর্ণ টিউবিং:
■■ এয়ার লাইন ■■ তামা
■■ জল লাইন ■■ পিতল
■■ শীতল লাইন ■■ আয়রন পাইপ

স্পেসিফিকেশন:
চাপ 1000 পিএসআই পর্যন্ত পরিসীমা
তাপমাত্রা -65˚ থেকে 250˚F পরিসীমা

সাধারণ অ্যাপ্লিকেশন:
গ্রীস, জ্বালানী, এলপি এবং প্রাকৃতিক গ্যাস, রেফ্রিজারেশন.ইনস্ট্রুমেন্টেশন এবং হাইড্রোলিক সিস্টেম

সম্মতি:
এএসএ, এএসএমই এবং এসএই এর স্পেসিফিকেশন এবং মানগুলি পূরণ করে।

রেফারেন্স অংশ নং:
3151 -211p -109a -109 বি

আমাদের সাথে যোগাযোগ করুন

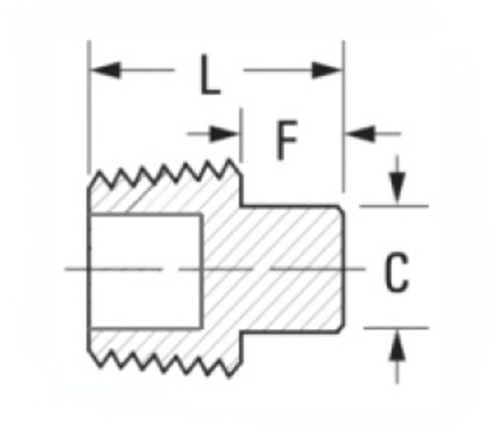
স্পেসিফিকেশন

অংশ#

থ্রেড আকার

এল

3151-এ

1/8

.28

.24

.58

3151-বি

1/8

.37

.29

.80

*3151 এল-বি

1/4

.37

.29

.80

3151-সি

3/8

.43

.32

.80

3151 এল-সি

3/8

.43

.32

.80

3151-ডি

1/2

.56

.39

1.07

*3151 এল-ডি

1/2

.56

.39

1.07

3151-E

3/4

.62

.43

1.11

*3151L-E

3/4

.62

.43

1.11

*ফাঁকা

আমাদের 3151 সিরিজটি বায়ু লাইন, জল লাইন এবং লুব্রিকেশন সিস্টেমে ব্যবহৃত টিউব ফিটিংগুলির একটি সম্পূর্ণ পরিসীমা সরবরাহ করে। এই পিতল ফিটিংগুলি নির্ভরযোগ্য পরিষেবা জীবনের জন্য আপনার কার্যচারণ এবং তাপমাত্রা পূরণের জন্য SAE J530 এবং SAE J531 উপকরণ থেকে তৈরি করা হয়। ফিটিংগুলি উপলব্ধি এবং এক্সট্রুশন উভয়ই উপলভ্য, পাশাপাশি জারা প্রতিরোধী প্লেটিং কভারগুলি বৈশিষ্ট্যযুক্ত যা কোনও ওএম স্ট্যান্ডার্ডে আঁকা হতে পারে all সমস্ত পিতল নির্মাণ উচ্চতর জারা প্রতিরোধ এবং শক্তি সরবরাহ করে। এই ফিটিংটি জে 530 স্ট্যান্ডার্ডের সাথে মিলিত হয় এবং ড্রাইসিয়াল পাইপ থ্রেডিংয়ের সাথে সামঞ্জস্যপূর্ণ। আপনি কোনও নতুন এয়ার লাইন তৈরি করছেন বা আধুনিক প্রযুক্তির সাথে পুরানো ধাতব ফিটিংগুলি প্রতিস্থাপন করছেন না কেন, এই টেকসই ফিটিংগুলি আপনাকে কাজটি সঠিকভাবে করতে সহায়তা করবে।
স্কোয়ার হেড প্লাগ ফিটিংগুলি ব্রাস থেকে তৈরি করা হয় এবং কুলিং লাইন, জল লাইন, বায়ু লাইন এবং বৈদ্যুতিন সংযোগ সহ বিভিন্ন অ্যাপ্লিকেশনগুলিতে ব্যবহার করা যেতে পারে। প্রতিটি ফিটিং তামা টিউবিং বা লোহার পাইপের পাশাপাশি ব্রাস টিউবিংয়ের সাথে সামঞ্জস্যপূর্ণ

আমাদের সাথে যোগাযোগ

সম্পর্কে লেগাইন

লেজাইনস ইন্ডাস্ট্রিয়াল মেশিনারি ইনক।

একজন পেশাদার চীন ব্রাস ফিটিংস প্রস্তুতকারক হিসাবে এবং ফিটিং সরবরাহকারীদের উপর চাপ দেয় it এটি সম্পূর্ণ সিএনসি মেশিনিং গ্রহণ করে এবং 3600 বর্গমিটার ওয়ার্কশপ অঞ্চলটির মালিক। 45 স্বয়ংক্রিয় মেশিন সরঞ্জাম, 35 আধা-স্বয়ংক্রিয় সিএনসি মেশিন সরঞ্জাম, পাশাপাশি বিতরণকারীরা যারা চীনে আমেরিকান স্ট্যান্ডার্ড ব্রাস অংশগুলি উত্পাদনের জন্য গুরুত্বপূর্ণ সরবরাহকারী হয়েছেন ...
  • সম্মান
  • সম্মান

নির্দেশাবলী & সংবাদ