legines.com
ল্যাং
252 উল্টানো শিখা মহিলা অ্যাডাপ্টার ফিটিং

252 উল্টানো শিখা মহিলা অ্যাডাপ্টার ফিটিং

পণ্য বৈশিষ্ট্য:
■■ সমস্ত পিতল নির্মাণ
■■ জ্বলনযোগ্য তরল এবং গ্যাসের জন্য তালিকাভুক্ত
■■ SAE J512 এর কার্যকরী প্রয়োজনীয়তা পূরণ করে
■■ অর্থনীতির জন্য ইস্পাত বাদাম

বাজার: অ্যাপ্লিকেশন:
■■ এয়ার কন্ডিশনার ■■ রেফ্রিজারেন্ট লাইন
■■ সামুদ্রিক ■■ ব্রেক লাইন
■■ মোবাইল ■■ জ্বালানী লাইন
■■ ইঞ্জিন

সামঞ্জস্যপূর্ণ পাইপ:
■■ তামা
■■ পিতল
■■ অ্যালুমিনিয়াম
■■ ঝালাই স্টিল হাইড্রোলিক টিউবিং

রেফারেন্স অংশ নং:
461FHD -252 -46W

আমাদের সাথে যোগাযোগ করুন

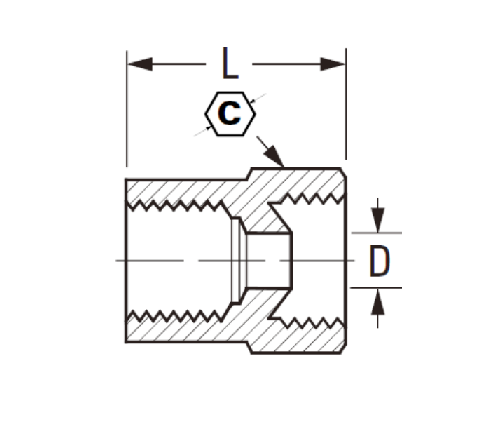
স্পেসিফিকেশন

অংশ#

টিউব ওডি × থ্রেড

ডি

এল

252-3 এ

3/16 × 1/8 15/32 .125 .62

252-4 এ

1/4 × 1/8 17/32 .188 .62

252-5 বি

5/16 × 1/4 19/32 .220 .70

252-6 বি

3/8 × 1/4 3/4 .281 .80

252-8 সি

1/2 × 3/8 29/32 .406 .91

*রেফ.সাই নং 040103 বিএ

এই সমস্ত ব্রাস মহিলা ফ্লেয়ার অ্যাডাপ্টারে স্ট্যান্ডার্ড পুরুষ ফ্লেয়ার ফিটিংগুলির সাথে ব্যবহারের জন্য একটি উল্টানো শিখা রয়েছে। এটি ফুটো প্রতিরোধের জন্য একটি নির্ভরযোগ্য সিল সরবরাহ করে এবং এটি SAE J512 অনুমোদিত। ইস্পাত বাদাম অর্থনীতি অ্যাপ্লিকেশনগুলির জন্য সুপারিশ করা হয়, যেখানে স্থায়ীভাবে ইনস্টল করা ফ্লেয়ার ফিটিংটি এখনও অল্প সময়ের মধ্যে অপসারণ বা পুনরায় ইনস্টল করতে হবে।
অতিরিক্ত বহুমুখিতা এবং স্থায়িত্ব সরবরাহ করে, 252 সিরিজ 3/16 ", 1/4", 5/16 "এবং 3/8" এর বাইরের ব্যাসের সাথে পাইপগুলিকে সংযুক্ত করবে। এটি নিশ্চিত করে যে এটি আপনার সমস্ত ট্যাঙ্ক ফিটিংয়ের সাথে সামঞ্জস্যপূর্ণ। আপনি এটির টেকসই নির্মাণ দ্বারাও মুগ্ধ হবেন, আপনি যতবার ব্যবহার করেন না কেন দীর্ঘ জীবন নিশ্চিত করে।
এই অ্যাডাপ্টার ফিটিংটি পায়ের পাতার মোজাবিশেষ এবং ভালভের সাথে নলকে সংযুক্ত করার জন্য ডিজাইন করা হয়েছে। পিতল দিয়ে তৈরি, এই ফিটিং শিল্পের মান পূরণ করে এবং স্বয়ংচালিত এবং সামুদ্রিক অ্যাপ্লিকেশনগুলিতে ব্যবহারের জন্য ডিজাইন করা হয়েছে।
ইনভার্টেড ফ্লেয়ার মহিলা অ্যাডাপ্টার একটি মহিলা ফিটিং যা SAE 1/2 "এনপিটি থ্রেড এবং SAE 3/8" টিউবিংয়ের সাথে সামঞ্জস্যপূর্ণ। টেকসই উপকরণ থেকে নির্মিত এবং বিস্তৃত ব্যবহারের জন্য ডিজাইন করা, এই ফিটিংগুলি যে কোনও বাড়ি বা ব্যবসায়ের জন্য দুর্দান্ত

আমাদের সাথে যোগাযোগ

সম্পর্কে লেগাইন

লেজাইনস ইন্ডাস্ট্রিয়াল মেশিনারি ইনক।

একজন পেশাদার চীন ব্রাস ফিটিংস প্রস্তুতকারক হিসাবে এবং ফিটিং সরবরাহকারীদের উপর চাপ দেয় it এটি সম্পূর্ণ সিএনসি মেশিনিং গ্রহণ করে এবং 3600 বর্গমিটার ওয়ার্কশপ অঞ্চলটির মালিক। 45 স্বয়ংক্রিয় মেশিন সরঞ্জাম, 35 আধা-স্বয়ংক্রিয় সিএনসি মেশিন সরঞ্জাম, পাশাপাশি বিতরণকারীরা যারা চীনে আমেরিকান স্ট্যান্ডার্ড ব্রাস অংশগুলি উত্পাদনের জন্য গুরুত্বপূর্ণ সরবরাহকারী হয়েছেন ...
  • সম্মান
  • সম্মান

নির্দেশাবলী & সংবাদ