legines.com
ল্যাং
105 স্টিল টিউব বাদাম ফ্লেয়ার ফিটিং

105 স্টিল টিউব বাদাম ফ্লেয়ার ফিটিং

পণ্য বৈশিষ্ট্য:
■■ সমস্ত পিতল নির্মাণ
■■ জ্বলনযোগ্য তরল এবং গ্যাসের জন্য তালিকাভুক্ত
■■ SAE J512 এর কার্যকরী প্রয়োজনীয়তা পূরণ করে
■■ অর্থনীতির জন্য ইস্পাত বাদাম

বাজার: অ্যাপ্লিকেশন:
■■ এয়ার কন্ডিশনার ■■ রেফ্রিজারেন্ট লাইন
■■ সামুদ্রিক ■■ ব্রেক লাইন
■■ মোবাইল ■■ জ্বালানী লাইন
■■ ইঞ্জিন

সামঞ্জস্যপূর্ণ পাইপ:
■■ তামা
■■ পিতল
■■ অ্যালুমিনিয়াম
■■ ঝালাই স্টিল হাইড্রোলিক টিউবিং

রেফারেন্স অংশ নং:
2015 -411fs -105 -41W

আমাদের সাথে যোগাযোগ করুন

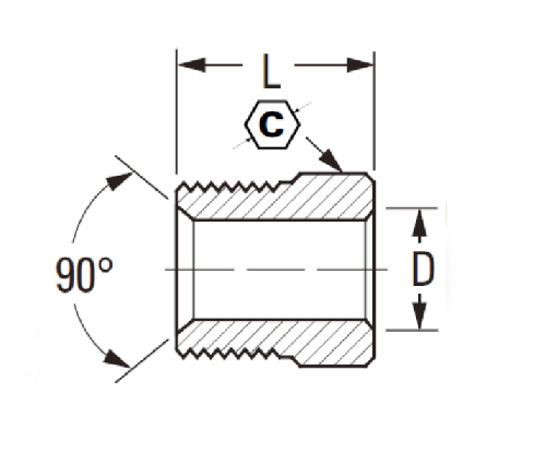
স্পেসিফিকেশন

অংশ#

টিউব ওডি

ডি

এল

105-3

3/16 5/16 .196

.56

105-4

1/4 3/8 .259 .56

105-5

5/16 7/16 .321 .62

105-6

3/8 5/8 .384 .66

105-8

1/2

3/4

.508

.74

105-10

5/8

7/8

.632

.80

105-12

3/4

1-1/16

.757

.88

105 সিরিজটি স্বল্প ব্যয়ের ফ্লেয়ার ফিটিং। এটি পিতল দিয়ে তৈরি এবং এতে জ্বলনযোগ্য তরল এবং গ্যাস লাইনের বৈশিষ্ট্য রয়েছে। 105 সিরিজে ইকোনমি জন্য ইস্পাত বাদাম অন্তর্ভুক্ত রয়েছে, যা বিভিন্ন আকারে পাওয়া যায়। এটি তামা, পিতল, অ্যালুমিনিয়াম এবং ld ালাই স্টিল হাইড্রোলিক টিউবিং সহ অসংখ্য টিউবিং উপকরণ সহ সামঞ্জস্যতাও গর্ব করে।
অংশ নং: 2015 - 411FS - 105 - 41W মিলার ওয়েল্ডার দ্বারা শিল্প ও বাণিজ্যিক পরিবেশকে আরও নিরাপদ, আরও দক্ষ এবং সাশ্রয়ী মূল্যের করতে সহায়তা করার জন্য তৈরি করা হয়েছে। অংশ নং। এই পণ্যটি একটি উচ্চ গ্রেড ব্রাস দিয়ে তৈরি যা ব্যবহারে জঞ্জাল বা মরিচা পড়বে না।
105 ইস্পাত টিউব বাদাম ফ্লেয়ার ফিটিং একটি 1/2 "পুরুষ এনপিটি ফিটিং এবং একটি 3/8" শিখা সহ একটি দীর্ঘস্থায়ী পণ্য সরবরাহ করে। এটি উচ্চমানের সমস্ত ব্রাস নির্মাণ থেকে তৈরি, এএনএসআই বি 16.11 এবং এসএই জে 512 এর সমস্ত প্রাসঙ্গিক কোডগুলি সভা বা অতিক্রম করে। এই পণ্যটি নিম্নলিখিত অ্যাপ্লিকেশনগুলিতে ব্যবহারের জন্য ডিজাইন করা হয়েছে: শীতাতপনিয়ন্ত্রণ (স্বয়ংচালিত এসি লাইন সহ), রেফ্রিজারেন্ট লাইন এবং রেফ্রিজারেন্ট তেল লাইন, সামুদ্রিক, ব্রেক লাইন, মোবাইল জ্বালানী লাইন, ইঞ্জিন ইত্যাদি
এই 3/4 "x 3/4" x 8 "স্টিল বাদাম ফ্লেয়ার ফিটিং চাপ সিল গ্যাসকেট আপনাকে আপনার শিল্প টিউবিং লাইনগুলি থেকে আপনার দাবি, স্থায়িত্ব এবং সুরক্ষা পেতে সহায়তা করতে পারে Cast

আমাদের সাথে যোগাযোগ

সম্পর্কে লেগাইন

লেজাইনস ইন্ডাস্ট্রিয়াল মেশিনারি ইনক।

একজন পেশাদার চীন ব্রাস ফিটিংস প্রস্তুতকারক হিসাবে এবং ফিটিং সরবরাহকারীদের উপর চাপ দেয় it এটি সম্পূর্ণ সিএনসি মেশিনিং গ্রহণ করে এবং 3600 বর্গমিটার ওয়ার্কশপ অঞ্চলটির মালিক। 45 স্বয়ংক্রিয় মেশিন সরঞ্জাম, 35 আধা-স্বয়ংক্রিয় সিএনসি মেশিন সরঞ্জাম, পাশাপাশি বিতরণকারীরা যারা চীনে আমেরিকান স্ট্যান্ডার্ড ব্রাস অংশগুলি উত্পাদনের জন্য গুরুত্বপূর্ণ সরবরাহকারী হয়েছেন ...
  • সম্মান
  • সম্মান

নির্দেশাবলী & সংবাদ