legines.com
ল্যাং
131 স্টিল ইনভার্টেড ব্রেক লাইন প্লাগ

131 স্টিল ইনভার্টেড ব্রেক লাইন প্লাগ

পণ্য বৈশিষ্ট্য:
■■ সমস্ত পিতল নির্মাণ
■■ জ্বলনযোগ্য তরল এবং গ্যাসের জন্য তালিকাভুক্ত
■■ SAE J512 এর কার্যকরী প্রয়োজনীয়তা পূরণ করে
■■ অর্থনীতির জন্য ইস্পাত বাদাম

বাজার: অ্যাপ্লিকেশন:
■■ এয়ার কন্ডিশনার ■■ রেফ্রিজারেন্ট লাইন
■■ সামুদ্রিক ■■ ব্রেক লাইন
■■ মোবাইল ■■ জ্বালানী লাইন
■■ ইঞ্জিন

সামঞ্জস্যপূর্ণ পাইপ:
■■ তামা
■■ পিতল
■■ অ্যালুমিনিয়াম
■■ ঝালাই স্টিল হাইড্রোলিক টিউবিং

আমাদের সাথে যোগাযোগ করুন

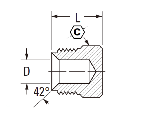
স্পেসিফিকেশন

অংশ#

টিউব ওডি

ডি

এল

131-3

3/16 3/8 .188

.53

131-4

1/4 7/16 .188 .54

131-5

5/16 1/2 .250 .59

131-6

3/8 5/8 .312 .66

*রেফ.সাই নং 040109 বা

আমাদের 131 ব্রাস ইনভার্টেড ব্রেক লাইন ফিটিংগুলির সিরিজটি বিশেষত গ্যাস এবং জ্বালানী লাইনের জন্য ডিজাইন করা হয়েছে। ইনভার্টেড ডিজাইনটি টাইট অ্যাপ্লিকেশনগুলিতে একটি ফাঁস মুক্ত সংযোগ সরবরাহ করে।
131 ইস্পাত উল্টানো ব্রেক লাইন প্লাগটি একটি আগুন বা পেট্রোল সামঞ্জস্যপূর্ণ, উল্টানো রেঞ্চ-স্টাইলের প্লাগ যা নমনীয় নলগুলির টার্মিনাল প্রান্তটি সিল করার জন্য ডিজাইন করা হয়েছে। এটি জিংক ধাতুপট্টাবৃত ইস্পাত থেকে জারা প্রতিরোধের জন্য তৈরি করা হয়েছে এবং একটি অবিচ্ছেদ্য প্লাস্টিকের সন্নিবেশ যা বিকৃতির বিরুদ্ধে শক্তি সরবরাহ করে। একটি পিতল নির্মাণ সঙ্গে উপলব্ধ।
এই পণ্যটি একটি ব্রাস এবং ইস্পাত ধাতুপট্টাবৃত প্লাগ যা উল্টানো ফ্লেয়ার ফিটিং সহ। এটি 1/8 তম টিউব গ্রহণ করা হয়। মাত্রা .53 "ব্যাস .54" গভীর, এই প্লাগের এই স্টাইলটি কেবল তামা, ইস্পাত এবং অ্যালুমিনিয়াম টিউবিংয়ে ব্যবহার করা যেতে পারে।
অর্থনীতি প্রায়শই ব্রেক লাইন অ্যাপ্লিকেশনগুলিতে গেমের নাম। এবং এই লাইন প্লাগের চেয়ে অর্থ সাশ্রয়ের চেয়ে ভাল আর কোনও উপায় নেই যা আপনার লাইনগুলি থেকে তাজা বাতাসকে বাইরে রাখে, তবুও দুর্দান্ত দেখায় এবং আগত কয়েক বছর ধরে চলবে। একটি ইস্পাত বাদাম এবং পিতল ব্যারেল সহ, এটি আপনার প্রয়োজনগুলি পূরণ করার বিষয়ে নিশ্চিত

আমাদের সাথে যোগাযোগ

সম্পর্কে লেগাইন

লেজাইনস ইন্ডাস্ট্রিয়াল মেশিনারি ইনক।

একজন পেশাদার চীন ব্রাস ফিটিংস প্রস্তুতকারক হিসাবে এবং ফিটিং সরবরাহকারীদের উপর চাপ দেয় it এটি সম্পূর্ণ সিএনসি মেশিনিং গ্রহণ করে এবং 3600 বর্গমিটার ওয়ার্কশপ অঞ্চলটির মালিক। 45 স্বয়ংক্রিয় মেশিন সরঞ্জাম, 35 আধা-স্বয়ংক্রিয় সিএনসি মেশিন সরঞ্জাম, পাশাপাশি বিতরণকারীরা যারা চীনে আমেরিকান স্ট্যান্ডার্ড ব্রাস অংশগুলি উত্পাদনের জন্য গুরুত্বপূর্ণ সরবরাহকারী হয়েছেন ...
  • সম্মান
  • সম্মান

নির্দেশাবলী & সংবাদ