legines.com
ল্যাং
352 ব্রাস ইনভার্টেড ফ্লেয়ার 45 ° পুরুষ কনুই

352 ব্রাস ইনভার্টেড ফ্লেয়ার 45 ° পুরুষ কনুই

পণ্য বৈশিষ্ট্য:
■■ সমস্ত পিতল নির্মাণ
■■ জ্বলনযোগ্য তরল এবং গ্যাসের জন্য তালিকাভুক্ত
■■ SAE J512 এর কার্যকরী প্রয়োজনীয়তা পূরণ করে
■■ অর্থনীতির জন্য ইস্পাত বাদাম

বাজার: অ্যাপ্লিকেশন:
■■ এয়ার কন্ডিশনার ■■ রেফ্রিজারেন্ট লাইন
■■ সামুদ্রিক ■■ ব্রেক লাইন
■■ মোবাইল ■■ জ্বালানী লাইন
■■ ইঞ্জিন

সামঞ্জস্যপূর্ণ পাইপ:
■■ তামা
■■ পিতল
■■ অ্যালুমিনিয়াম
■■ ঝালাই স্টিল হাইড্রোলিক টিউবিং

রেফারেন্স অংশ নং:
154 -2352 -259ifhd -352 -94W

আমাদের সাথে যোগাযোগ করুন

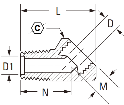
স্পেসিফিকেশন

অংশ#

টিউব ওডি × থ্রেড

ডি

এল

352-3 এ

3/16 × 1/8 17/32 .125 .88

352-4 এ

1/4 × 1/8 9/16 .188 .94

352-5a

5/16 × 1/8 5/8 .219 1.00

352-5 বি

5/16 × 1/4 5/8 .219 1.16

352-6 বি

3/8 × 1/4 25/32 .281 1.34

352-8 সি

1/2 × 3/8 7/8 .406 1.44

*রেফ.সাই নং 040302 বা

352 ব্রাস ইনভার্টেড ফ্লেয়ার 45 ° পুরুষ কনুই (এসএই জে 512) এয়ার কন্ডিশনার, রেফ্রিজারেন্ট লাইন, সামুদ্রিক এবং মোবাইল অ্যাপ্লিকেশনগুলিতে ব্যবহারের জন্য ডিজাইন করা হয়েছে। এই কনুইতে সহজ ইনস্টলেশনের জন্য স্লিপ-অন বাদামের সাথে একটি পুরুষ শিখা ফিটিং রয়েছে। SAE J512 পুরুষ 45 ডিগ্রি ফ্লেয়ার কনুই স্টিল বাদাম ব্যতীত সমস্ত পিতল দ্বারা নির্মিত যা স্থায়িত্ব এবং সাশ্রয়ী মূল্যের সরবরাহ করে।
352 ব্রাস ইনভার্টেড ফ্লেয়ার 45 ° পুরুষ কনুই গ্যাস এবং তরলগুলির জন্য ডিজাইন করা হয়েছে এবং এসএই জে 512 এর কার্যকরী প্রয়োজনীয়তাগুলি 1/8 "এর মাধ্যমে 1" আকারে পূরণ করে। বাইরের ব্যাসে .94 "পরিমাপ করা।
এই 3-16 ইঞ্চি টিউব ফিটিং এবং একটি 45˚ কনুই বেন্ড সরবরাহ করে।  এই ফিটিং স্ট্যান্ডার্ড এয়ার কন্ডিশনার, রেফ্রিজারেশন এবং হাইড্রোলিক অ্যাপ্লিকেশনগুলির পাশাপাশি মোবাইল বা সামুদ্রিক শিল্পের জন্য উপযুক্ত

আমাদের সাথে যোগাযোগ

সম্পর্কে লেগাইন

লেজাইনস ইন্ডাস্ট্রিয়াল মেশিনারি ইনক।

একজন পেশাদার চীন ব্রাস ফিটিংস প্রস্তুতকারক হিসাবে এবং ফিটিং সরবরাহকারীদের উপর চাপ দেয় it এটি সম্পূর্ণ সিএনসি মেশিনিং গ্রহণ করে এবং 3600 বর্গমিটার ওয়ার্কশপ অঞ্চলটির মালিক। 45 স্বয়ংক্রিয় মেশিন সরঞ্জাম, 35 আধা-স্বয়ংক্রিয় সিএনসি মেশিন সরঞ্জাম, পাশাপাশি বিতরণকারীরা যারা চীনে আমেরিকান স্ট্যান্ডার্ড ব্রাস অংশগুলি উত্পাদনের জন্য গুরুত্বপূর্ণ সরবরাহকারী হয়েছেন ...
  • সম্মান
  • সম্মান

নির্দেশাবলী & সংবাদ