legines.com
ল্যাং
3350# 45 ডিগ্রি স্ট্রিট কনুই ব্রাস পাইপ ফিটিং

3350# 45 ডিগ্রি স্ট্রিট কনুই ব্রাস পাইপ ফিটিং

পণ্য বৈশিষ্ট্য: বাজার:
■■ সমস্ত পিতল নির্মাণ ■■ শিল্প
■■ এর কার্যকরী প্রয়োজনীয়তা পূরণ করে ■■ নির্মাণ
SAE J530 এবং SAE J531 ■■ ভারী শুল্ক ট্রাক
■■ ড্রাইসিয়াল স্ট্যান্ডার্ডে তৈরি থ্রেড ■■ মোবাইল
■■ উভয় ভুলে যাওয়া এবং এক্সট্রুশন উপলব্ধ ■■ কারখানা/প্রক্রিয়া অটোমেশন

অ্যাপ্লিকেশন: সামঞ্জস্যপূর্ণ টিউবিং:
■■ এয়ার লাইন ■■ তামা
■■ জল লাইন ■■ পিতল
■■ শীতল লাইন ■■ আয়রন পাইপ

স্পেসিফিকেশন:
চাপ 1000 পিএসআই পর্যন্ত পরিসীমা
তাপমাত্রা -65˚ থেকে 250˚F পরিসীমা

সাধারণ অ্যাপ্লিকেশন:
গ্রীস, জ্বালানী, এলপি এবং প্রাকৃতিক গ্যাস, রেফ্রিজারেশন.ইনস্ট্রুমেন্টেশন এবং হাইড্রোলিক সিস্টেম

সম্মতি:
এএসএ, এএসএমই এবং এসএই এর স্পেসিফিকেশন এবং মানগুলি পূরণ করে।

রেফারেন্স অংশ নং:
306 -3350 -2214p -224 -124a

আমাদের সাথে যোগাযোগ করুন

স্পেসিফিকেশন

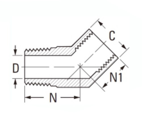
অংশ# থ্রেড আকার ডি এন এন 1
3350-এ 1/8 × 1/8 9/16 .219 .50 .38
3350-বি 1/4 × 1/4 11/16 .315 .74 .56
3350-সি 3/8 × 3/8 13/16 .438 .78 .56
3350-ডি 1/2 × 1/2 1 " .562 1.00 .76
3350-ই 3/4 × 3/4 1 "-1/4 .750 1.06 .75

*রেফ

3350 একটি 45 ডিগ্রি স্ট্রিট কনুই আকারের ফিটিং। ফিটিংটি বিভিন্ন পাইপিং উপকরণগুলির সাথে ব্যবহার করার জন্য তৈরি করা হয় এবং 1000 পিএসআই পর্যন্ত সহ্য করতে পারে। এটিতে -65˚ এবং 250˚F. আপনার 45 ডিগ্রি স্ট্রিট কনুই ব্রাস পাইপ ফিটিংগুলির মধ্যে একটি অপারেটিং তাপমাত্রার পরিসীমা রয়েছে আমাদের অভিজ্ঞ ফ্যাব্রিকেটরদের দল দ্বারা আপনার সঠিক স্পেসিফিকেশনে তৈরি করা হয়েছে। রাস্তার কনুইটি একটি পাইপ ফিটিং যা এক প্রান্তে দুটি পাইপ থ্রেড রয়েছে এবং অন্য প্রান্তে পাইপে 90 ° বাঁক রয়েছে। রাস্তার কনুইগুলি নদীর গভীরতানির্ণয় থেকে পরিবহন পর্যন্ত বিভিন্ন শিল্পে ব্যবহৃত হয়। গ্রাহকের প্রয়োজন অনুসারে বিভিন্ন চাপ, তাপমাত্রা এবং লাইন আকারে তরল বা গ্যাসের প্রবাহ বাড়ানোর জন্য মহিলা বা পুরুষ কনফিগারেশনে রাস্তার কনুই তৈরি করা হয়।

আমাদের সাথে যোগাযোগ

সম্পর্কে লেগাইন

লেজাইনস ইন্ডাস্ট্রিয়াল মেশিনারি ইনক।

একজন পেশাদার চীন ব্রাস ফিটিংস প্রস্তুতকারক হিসাবে এবং ফিটিং সরবরাহকারীদের উপর চাপ দেয় it এটি সম্পূর্ণ সিএনসি মেশিনিং গ্রহণ করে এবং 3600 বর্গমিটার ওয়ার্কশপ অঞ্চলটির মালিক। 45 স্বয়ংক্রিয় মেশিন সরঞ্জাম, 35 আধা-স্বয়ংক্রিয় সিএনসি মেশিন সরঞ্জাম, পাশাপাশি বিতরণকারীরা যারা চীনে আমেরিকান স্ট্যান্ডার্ড ব্রাস অংশগুলি উত্পাদনের জন্য গুরুত্বপূর্ণ সরবরাহকারী হয়েছেন ...
  • সম্মান
  • সম্মান

নির্দেশাবলী & সংবাদ