legines.com
ল্যাং
স্টেইনলেস স্টিল পাইপ হেক্স স্তনবৃন্ত 2520

স্টেইনলেস স্টিল পাইপ হেক্স স্তনবৃন্ত 2520

70 ডিগ্রি এফ, উপাদান: 304 স্টেইনলেস স্টিল এ 150 পিএসআইয়ের সর্বোচ্চ কাজের চাপ
আকার: রিডুসার বুশিং (পুরুষ এক্স মহিলা), সংযোগ: এনপিটি-এনপিটি, পরিমাপ: al চ্ছিক
সোজা থ্রেডের চেয়ে শক্ত সিল তৈরির জন্য এনপিটি থ্রেড
এটিতে এক প্রান্তে পুরুষ এনপিটি থ্রেড রয়েছে এবং অন্যদিকে মহিলা এবং একটি পুরুষ থ্রেডযুক্ত পাইপ বা ফিটিংয়ের সাথে সংযোগ স্থাপনের জন্য অন্যদিকে মহিলা এনপিটি থ্রেড রয়েছে।
এই অ্যাডাপ্টার ফিটিং পাইপ বা ফিটিংগুলিকে বিভিন্ন প্রান্তের ধরণের, ব্যাস বা উপকরণগুলির সাথে সংযুক্ত করে

সাধারণ অ্যাপ্লিকেশন:
গ্রীস, রেফ্রিজারেশন, উপকরণ এবং জলবাহী সিস্টেমগুলি F

সুবিধা:
ড্রাইসিয়াল পাইপ থ্রেডস (বিএসপিটি (আর)/বিএসপি (জি)। আকার এবং কনফিগারেশনগুলির বৃহত্তর পরিসীমা

আমাদের সাথে যোগাযোগ করুন

স্পেসিফিকেশন

অংশ#

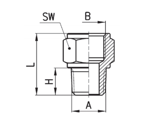
থ্রেড আকার a × খ

এসডাব্লু

এল

এইচ

2520-এএ

আর 1/8 × জি 1/8

13

17.5

7.5

2520-আব

আর 1/8 × জি 1/4 17 19.0 7.5

2520-এসি

আর 1/8 × জি 3/8 20 20.0

7.5

2520-বিবি

আর 1/4 × জি 1/4 17 22.5 11.0
2520-বিসি আর 1/4 × জি 3/8 20 23.5 11.0
2520-বিডি আর 1/4 × জি 1/2 24 27.5 11.0
2520-সিসি আর 3/8 × জি 3/8 20 24.0 11.5

2520-সিডি

আর 3/8 × জি 1/2 24 28.0 11.5

2520-ডিডি

আর 1/2 × জি 1/2 24 30.5 14.0

স্টেইনলেস স্টিল পাইপ একটি নমনীয় উপাদান যা বিভিন্ন ধরণের নদীর গভীরতানির্ণয় অ্যাপ্লিকেশনগুলির সাথে ফিট করার জন্য বাঁকানো এবং আকারযুক্ত হতে পারে। এটি সাধারণত জল, বায়ু, বাষ্প এবং জ্বালানীর মতো তরল পরিবহনে ব্যবহৃত হয়। স্টেইনলেস স্টিল পাইপিংয়ের জন্য সর্বাধিক সাধারণ ব্যবহারগুলির মধ্যে একটি হ'ল বাণিজ্যিক রান্নাঘরে, যেখানে চুলা জুড়ে তাপ বিতরণ করার জন্য চুলার মতো সরঞ্জামগুলি ¾ ইঞ্চি বা 2 ইঞ্চি পাইপ বৈশিষ্ট্যযুক্ত। অনেক আবাসিক বাড়িগুলি তাদের বহিরঙ্গন কলগুলির জন্য ¾ ইঞ্চি তামার পাইপও ব্যবহার করে, যা সরবরাহের লাইন থেকে দ্রুত ঘরে ঘরে প্রবাহিত করতে দেয়

আমাদের সাথে যোগাযোগ

সম্পর্কে লেগাইন

লেজাইনস ইন্ডাস্ট্রিয়াল মেশিনারি ইনক।

একজন পেশাদার চীন ব্রাস ফিটিংস প্রস্তুতকারক হিসাবে এবং ফিটিং সরবরাহকারীদের উপর চাপ দেয় it এটি সম্পূর্ণ সিএনসি মেশিনিং গ্রহণ করে এবং 3600 বর্গমিটার ওয়ার্কশপ অঞ্চলটির মালিক। 45 স্বয়ংক্রিয় মেশিন সরঞ্জাম, 35 আধা-স্বয়ংক্রিয় সিএনসি মেশিন সরঞ্জাম, পাশাপাশি বিতরণকারীরা যারা চীনে আমেরিকান স্ট্যান্ডার্ড ব্রাস অংশগুলি উত্পাদনের জন্য গুরুত্বপূর্ণ সরবরাহকারী হয়েছেন ...
  • সম্মান
  • সম্মান

নির্দেশাবলী & সংবাদ