legines.com
ল্যাং
স্টিল হ্রাস স্তনবৃন্ত কিটস 2510

স্টিল হ্রাস স্তনবৃন্ত কিটস 2510

অন্তর্ভুক্ত:
হেক্স স্তনবৃন্ত হ্রাস: 1 পিসি;
অ্যাডাপ্টার হ্রাস: 1 পিসি;

পাইপ ফিটিংগুলি বিভিন্ন শিল্পে সংযোগ, সমাপ্তি, প্রবাহ নিয়ন্ত্রণ এবং পাইপিংয়ের দিক পরিবর্তন করার জন্য ব্যবহৃত উপাদান। পাইপ ফিটিংগুলি কেনার সময়, অ্যাপ্লিকেশনটি বিবেচনা করুন, কারণ এটি উপাদানগুলির ধরণ, আকার, আকার এবং প্রয়োজনীয় স্থায়িত্বকে প্রভাবিত করবে। ফিটিংগুলি অনেকগুলি আকার, শৈলী, আকার এবং সময়সূচীতে (পাইপের প্রাচীরের বেধ) থ্রেড বা আনথ্রেডড উপলব্ধ।

সাধারণ অ্যাপ্লিকেশন:
গ্রীস, রেফ্রিজারেশন, উপকরণ এবং জলবাহী সিস্টেমগুলি F

সুবিধা:
ড্রাইসিয়াল পাইপ থ্রেডস (বিএসপিটি (আর)/বিএসপি (জি)। আকার এবং কনফিগারেশনগুলির বৃহত্তর পরিসীমা

আমাদের সাথে যোগাযোগ করুন

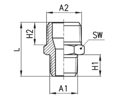
স্পেসিফিকেশন

অংশ#

থ্রেড আকার A1 × A2

এসডাব্লু

এল

এইচ

2510-আব

আর 1/8 × আর 1/4

14

23.5

7.5

2510-এসি

আর 1/8 × 3/8 17 24.0 7.5

2510-বিসি

আর 1/4 × আর 3/8

17

27.5

11.0

2510-বিডি

আর 1/4 × আর 1/2

22

30.5

11.0

2510-সিডি

আর 3/8 × আর 1.2

22

31.0

11.5

2510-de

আর 1/2 × আর 3/4

27

37.5

14.0

আমাদের সাথে যোগাযোগ

সম্পর্কে লেগাইন

লেজাইনস ইন্ডাস্ট্রিয়াল মেশিনারি ইনক।

একজন পেশাদার চীন ব্রাস ফিটিংস প্রস্তুতকারক হিসাবে এবং ফিটিং সরবরাহকারীদের উপর চাপ দেয় it এটি সম্পূর্ণ সিএনসি মেশিনিং গ্রহণ করে এবং 3600 বর্গমিটার ওয়ার্কশপ অঞ্চলটির মালিক। 45 স্বয়ংক্রিয় মেশিন সরঞ্জাম, 35 আধা-স্বয়ংক্রিয় সিএনসি মেশিন সরঞ্জাম, পাশাপাশি বিতরণকারীরা যারা চীনে আমেরিকান স্ট্যান্ডার্ড ব্রাস অংশগুলি উত্পাদনের জন্য গুরুত্বপূর্ণ সরবরাহকারী হয়েছেন ...
  • সম্মান
  • সম্মান

নির্দেশাবলী & সংবাদ