legines.com
ল্যাং
স্টেইনলেস স্টিল রেডুসার হেক্স বুশিং 2530

স্টেইনলেস স্টিল রেডুসার হেক্স বুশিং 2530

স্টেইনলেস স্টিল রিডুসার হেক্স বুশিং ফিটিং পুরুষ জাতীয় পাইপ টেপার (এনপিটি) থ্রেড সহ বাইরের দিকে এবং বিভিন্ন আকারের দুটি পাইপ সংযোগ করার জন্য ভিতরে মহিলা এনপিটি থ্রেড। এটিতে স্ট্রেইট থ্রেডগুলির চেয়ে আরও শক্ত সীল তৈরির জন্য এনপিটি থ্রেড রয়েছে এবং ইনস্টলেশন এবং বিচ্ছিন্নতার সময় রেঞ্চের সাথে বর্ধিত লিভারেজ এবং ব্যবহারের জন্য একটি ষড়ভুজ মাথা রয়েছে। এই বুশিংটি ইস্পাত দিয়ে তৈরি এবং লোহার চেয়ে বৃহত্তর মরিচা প্রতিরোধের জন্য একটি গ্যালভানাইজড ফিনিস রয়েছে এবং এটি জল, বাষ্প এবং বায়ু অ্যাপ্লিকেশনগুলির জন্য ব্যবহার করা যেতে পারে। ক্লাস 150 হেক্স বুশিং গুণমানের নিশ্চয়তার জন্য স্পেসিফিকেশন এএসটিএম এ 53 এবং এএসএমই বি 1.20.1 পূরণ করে। ক্লাস হ'ল সহনশীলতা, নির্মাণ, মাত্রা এবং প্রাচীরের বেধ সম্পর্কিত একটি মান, তবে এটি সর্বাধিক কাজের চাপের সরাসরি পরিমাপ নয়।

সাধারণ অ্যাপ্লিকেশন:
গ্রীস, রেফ্রিজারেশন, উপকরণ এবং জলবাহী সিস্টেমগুলি F

সুবিধা:
ড্রাইসিয়াল পাইপ থ্রেডস (বিএসপিটি (আর)/বিএসপি (জি)। আকার এবং কনফিগারেশনগুলির বৃহত্তর পরিসীমা

আমাদের সাথে যোগাযোগ করুন

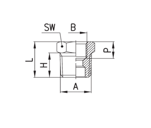
স্পেসিফিকেশন

অংশ#

থ্রেড আকার a × খ

এসডাব্লু

এল

এইচ

2350-বা

আর 1/4 × জি 1/8 14 16.0 11

2350-সিএ

আর 3/8 × জি 1/8 17 16.5 11.5

2350-সিবি

আর 3/8 × জি 1/4 17 19.5 11.5

2350-ডিবি

আর 1/2 × জি 1/4 22 19.5 14.0

2350-ডিসি

আর 1/2 × জি 3/8 22 19.5 15.0

2350-ইসি

আর 3/4 × জি 3/8 22 23.0 16.5

2350-এড

আর 3/4 × জি 1/2 27 23.5 16.5

2350-এইচডি

আর 1 "× জি 1/2 34 27.0 19.0

এটি লোহার চেয়ে বৃহত্তর মরিচা প্রতিরোধের জন্য একটি গ্যালভানাইজড ফিনিস রয়েছে এবং এটি জল, বাষ্প এবং বায়ু অ্যাপ্লিকেশনগুলির জন্য ব্যবহার করা যেতে পারে। এই বুশিংটি ইস্পাত দিয়ে তৈরি এবং ইনস্টলেশন এবং বিচ্ছিন্নতার সময় একটি রেঞ্চের সাথে বর্ধিত লিভারেজ এবং ব্যবহারের জন্য একটি ষড়ভুজ মাথা রয়েছে। এটিতে সোজা থ্রেডের চেয়ে শক্ত সিল তৈরির জন্য এনপিটি থ্রেড রয়েছে এবং বিভিন্ন আকারের দুটি পাইপ সংযোগ করার জন্য ব্যবহার করা যেতে পারে

আমাদের সাথে যোগাযোগ

সম্পর্কে লেগাইন

লেজাইনস ইন্ডাস্ট্রিয়াল মেশিনারি ইনক।

একজন পেশাদার চীন ব্রাস ফিটিংস প্রস্তুতকারক হিসাবে এবং ফিটিং সরবরাহকারীদের উপর চাপ দেয় it এটি সম্পূর্ণ সিএনসি মেশিনিং গ্রহণ করে এবং 3600 বর্গমিটার ওয়ার্কশপ অঞ্চলটির মালিক। 45 স্বয়ংক্রিয় মেশিন সরঞ্জাম, 35 আধা-স্বয়ংক্রিয় সিএনসি মেশিন সরঞ্জাম, পাশাপাশি বিতরণকারীরা যারা চীনে আমেরিকান স্ট্যান্ডার্ড ব্রাস অংশগুলি উত্পাদনের জন্য গুরুত্বপূর্ণ সরবরাহকারী হয়েছেন ...
  • সম্মান
  • সম্মান

নির্দেশাবলী & সংবাদ