legines.com
ল্যাং
24 এম প্রেস্টো বহুগুণ

24 এম প্রেস্টো বহুগুণ

পণ্য বৈশিষ্ট্য:
■■ ব্রাস কোলেট
■■ বুনা এন ও-রিং
■■ স্টেইনলেস স্টিল টিউব সমর্থন
■■ ডি.ও.টি. এফএমভিএসএস 571.106
■■ SAE J2494-3 এর সাথে দেখা করে
■■ যৌগিক বডি - শক্তিশালী, হালকা ওজনের, কমপ্যাক্ট এবং প্রভাব প্রতিরোধী
■■ প্লাগ-ইন কনফিগারেশন

বাজার:
■■ ভারী শুল্ক ট্রাক
■■ ট্রেলার
■■ মোবাইল

অ্যাপ্লিকেশন:
■■ এয়ার ব্রেক
■■ এয়ার ট্যাঙ্ক
■■ এয়ার রাইড
■■ স্লাইডার
■■ টায়ার মুদ্রাস্ফীতি
■■ প্রাথমিক ও মাধ্যমিক লাইন
■■ ক্যাব নিয়ন্ত্রণ

আমাদের সাথে যোগাযোগ করুন

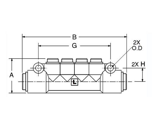
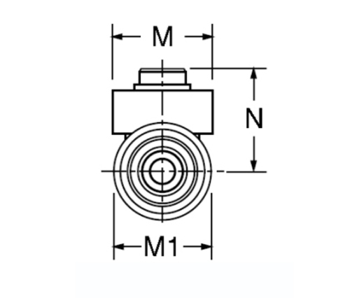
স্পেসিফিকেশন

অংশ

নং নং

টিউব ওডি

lnlet

টিউব ওডি

আউটলেট

ডি এইচ মি এম 1 এন
24 মি -4-4 1/4 1/4 1.33 3.98 .21 2.75 .53 .90 .88 .89
24 মি -6-4 3/8 1/4 1.33 4.00 .21 2.75 .53 .90 .88 .89
24 মি -6-6 3/8 3/8 1.65 6.49 .22 4.55 .60 1.02 1.02 1.33
24 মি -8-8 1/2 1/2 1.65 6.49 .22 4.55 .60 1.02 1.02 1.33
24 এম -8-6-4-4-6-8 1/2 3/8 এবং 1/4 1.65 6.49 .22 4.55 .60 1.02 1.02 1.17

24 এম প্রেস্টো ম্যানিফোল্ড সহজ, দ্রুত এবং নির্ভরযোগ্য পরিষেবা সরবরাহ করতে নির্মিত। শক্তিশালী, হালকা ওজনের, প্রভাব প্রতিরোধী এবং কমপ্যাক্ট ডিজাইনের সাথে যৌগিক বডি বাল্ক হ্রাস করার সময় শক্তি সরবরাহ করে। 24 এম প্রেস্টো ম্যানিফোল্ডটি ডি.ও.টি.টি. এর প্লাগ এবং খেলার ক্ষমতা কোনও অ্যাপ্লিকেশনটিতে সর্বাধিক বহুমুখিতা করার অনুমতি দেয়

আমাদের সাথে যোগাযোগ

সম্পর্কে লেগাইন

লেজাইনস ইন্ডাস্ট্রিয়াল মেশিনারি ইনক।

একজন পেশাদার চীন ব্রাস ফিটিংস প্রস্তুতকারক হিসাবে এবং ফিটিং সরবরাহকারীদের উপর চাপ দেয় it এটি সম্পূর্ণ সিএনসি মেশিনিং গ্রহণ করে এবং 3600 বর্গমিটার ওয়ার্কশপ অঞ্চলটির মালিক। 45 স্বয়ংক্রিয় মেশিন সরঞ্জাম, 35 আধা-স্বয়ংক্রিয় সিএনসি মেশিন সরঞ্জাম, পাশাপাশি বিতরণকারীরা যারা চীনে আমেরিকান স্ট্যান্ডার্ড ব্রাস অংশগুলি উত্পাদনের জন্য গুরুত্বপূর্ণ সরবরাহকারী হয়েছেন ...
  • সম্মান
  • সম্মান

নির্দেশাবলী & সংবাদ