legines.com
ল্যাং
3750# ব্রাস ফিটিংস পুরুষ রান টি ব্রাস পাইপ ফিটিং

3750# ব্রাস ফিটিংস পুরুষ রান টি ব্রাস পাইপ ফিটিং

পণ্য বৈশিষ্ট্য: বাজার:
■■ সমস্ত পিতল নির্মাণ ■■ শিল্প
■■ এর কার্যকরী প্রয়োজনীয়তা পূরণ করে ■■ নির্মাণ
SAE J530 এবং SAE J531 ■■ ভারী শুল্ক ট্রাক
■■ ড্রাইসিয়াল স্ট্যান্ডার্ডে তৈরি থ্রেড ■■ মোবাইল
■■ উভয় ভুলে যাওয়া এবং এক্সট্রুশন উপলব্ধ ■■ কারখানা/প্রক্রিয়া অটোমেশন

অ্যাপ্লিকেশন: সামঞ্জস্যপূর্ণ টিউবিং:
■■ এয়ার লাইন ■■ তামা
■■ জল লাইন ■■ পিতল
■■ শীতল লাইন ■■ আয়রন পাইপ

স্পেসিফিকেশন:
চাপ 1000 পিএসআই পর্যন্ত পরিসীমা
তাপমাত্রা -65˚ থেকে 250˚F পরিসীমা

সাধারণ অ্যাপ্লিকেশন:
গ্রীস, জ্বালানী, এলপি এবং প্রাকৃতিক গ্যাস, রেফ্রিজারেশন.ইনস্ট্রুমেন্টেশন এবং হাইড্রোলিক সিস্টেম

সম্মতি:
এএসএ, এএসএমই এবং এসএই এর স্পেসিফিকেশন এবং মানগুলি পূরণ করে।

রেফারেন্স অংশ নং:
2225p -225 -3750 -326 -225 -127a -28245 ~ 28249

আমাদের সাথে যোগাযোগ করুন

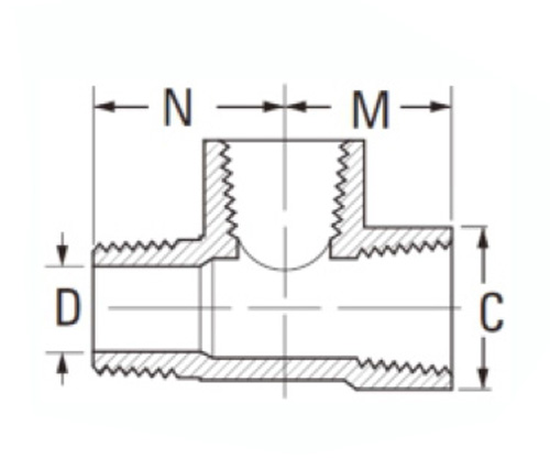
স্পেসিফিকেশন

অংশ#

থ্রেড আকার

ডি

মি

এন

3750-এ

1/8

9/16

.219

.55

.66

3750-বি

1/4

11/16

.312

.78

.90

3750-সি

3/8

13/16

.438

.84

.97

3750-ডি

1/2

1 "

.562

1.09

1.25

3750-E

3/4

1 "-1/4

.750

1.38

1.38

*REF.SAE.NO.130424

#3750 পুরুষ রান টি ফিটিংগুলি ব্রাস থেকে তৈরি করা হয় এবং শিল্প, কারখানা/প্রক্রিয়া অটোমেশন এবং মোবাইল অ্যাপ্লিকেশনগুলির প্রয়োজনগুলি পূরণ করে। তারা চাপযুক্ত বায়ু লাইনের জন্য একটি সংযোগ সরবরাহ করে। সামঞ্জস্যপূর্ণ পাইপগুলি তামা, পিতল এবং লোহার পাইপে পাওয়া যায়। বাজারে নির্মাণ, শিল্প ও ভারী শুল্ক ট্রাক বাজার অন্তর্ভুক্ত রয়েছে। সামঞ্জস্যপূর্ণ উপকরণগুলির মধ্যে রয়েছে এয়ার লাইন, জলের লাইন এবং শীতল রেখাগুলি include উপকরণগুলি ফুটো এবং জোর করে দাঁড়াতে যথেষ্ট শক্তিশালী, যে কোনও আবহাওয়ার অবস্থার জন্য তাদের আদর্শ করে তোলে।  প্রতিটি ফিটিং তামা টিউবিং, পিতল এবং অন্যান্য মানের উপকরণ দিয়ে তৈরি করা হয় যা টুকরোটিতে শক্তি, স্থায়িত্ব এবং দীর্ঘায়ু নিয়ে আসে

আমাদের সাথে যোগাযোগ

সম্পর্কে লেগাইন

লেজাইনস ইন্ডাস্ট্রিয়াল মেশিনারি ইনক।

একজন পেশাদার চীন ব্রাস ফিটিংস প্রস্তুতকারক হিসাবে এবং ফিটিং সরবরাহকারীদের উপর চাপ দেয় it এটি সম্পূর্ণ সিএনসি মেশিনিং গ্রহণ করে এবং 3600 বর্গমিটার ওয়ার্কশপ অঞ্চলটির মালিক। 45 স্বয়ংক্রিয় মেশিন সরঞ্জাম, 35 আধা-স্বয়ংক্রিয় সিএনসি মেশিন সরঞ্জাম, পাশাপাশি বিতরণকারীরা যারা চীনে আমেরিকান স্ট্যান্ডার্ড ব্রাস অংশগুলি উত্পাদনের জন্য গুরুত্বপূর্ণ সরবরাহকারী হয়েছেন ...
  • সম্মান
  • সম্মান

নির্দেশাবলী & সংবাদ