legines.com
ল্যাং
3400# ব্রাস পাইপ ফিটিংস 90 ডিগ্রি স্ট্রিট কনুই

3400# ব্রাস পাইপ ফিটিংস 90 ডিগ্রি স্ট্রিট কনুই

পণ্য বৈশিষ্ট্য: বাজার:
■■ সমস্ত পিতল নির্মাণ ■■ শিল্প
■■ এর কার্যকরী প্রয়োজনীয়তা পূরণ করে ■■ নির্মাণ
SAE J530 এবং SAE J531 ■■ ভারী শুল্ক ট্রাক
■■ ড্রাইসিয়াল স্ট্যান্ডার্ডে তৈরি থ্রেড ■■ মোবাইল
■■ উভয় ভুলে যাওয়া এবং এক্সট্রুশন উপলব্ধ ■■ কারখানা/প্রক্রিয়া অটোমেশন

অ্যাপ্লিকেশন: সামঞ্জস্যপূর্ণ টিউবিং:
■■ এয়ার লাইন ■■ তামা
■■ জল লাইন ■■ পিতল
■■ শীতল লাইন ■■ আয়রন পাইপ

স্পেসিফিকেশন:
চাপ 1000 পিএসআই পর্যন্ত পরিসীমা
তাপমাত্রা -65˚ থেকে 250˚F পরিসীমা

সাধারণ অ্যাপ্লিকেশন:
গ্রীস, জ্বালানী, এলপি এবং প্রাকৃতিক গ্যাস, রেফ্রিজারেশন.ইনস্ট্রুমেন্টেশন এবং হাইড্রোলিক সিস্টেম

সম্মতি:
এএসএ, এএসএমই এবং এসএই এর স্পেসিফিকেশন এবং মানগুলি পূরণ করে।

রেফারেন্স অংশ নং:
2202p -3400 -304 -115 -202 -116a -28156 থেকে 2816

আমাদের সাথে যোগাযোগ করুন

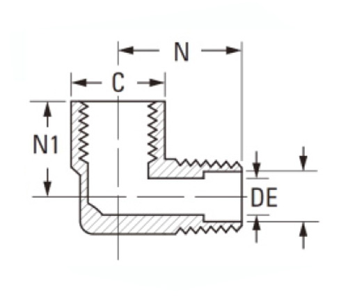
স্পেসিফিকেশন

অংশ# থ্রেড আকার ডি এন এন 1
3400-এএ 1/8 × 1/8 9/16 .219 .66 .47
3400-বিবি 1/4 × 1/4 11/16 .315 .91 .72
3400-সিসি 3/8 × 3/8 13/16 .438 .97 .78
3400-ডিডি 1/2 × 1/2 1 " .562 1.25 1.03
3400-EE 3/4 × 3/4 1-1/4 .750 1.38 1.12

রেফ

3400# ব্রাস পাইপ ফিটিংস 90 ডিগ্রি স্ট্রিট কনুই সমস্ত ব্রাস নির্মাণ থেকে তৈরি এবং ভুলে যাওয়া এবং এক্সট্রুশন উভয়ের সাথে সামঞ্জস্যপূর্ণ; শিল্প গ্রেড ফিটিংগুলি যা SAE J530 এবং SAE J531 এর কার্যকরী প্রয়োজনীয়তা পূরণ করে; বাজার: নির্মাণ, ভারী শুল্ক ট্রাক এবং মোবাইল। উভয় মান মোবাইল অ্যাপ্লিকেশনগুলিতে কাজ করার জন্য অনুসরণ করা হয় যা থার্মোপ্লাস্টিক রাবার (টিপিআর) স্বয়ংচালিত, শিল্প ও বাণিজ্যিক অ্যাপ্লিকেশনগুলিতে ব্যবহারের জন্য তৈরি করা হয়েছে যেখানে সিপিভিসি বেমানান। এটি বিস্তৃত আকারে পাওয়া যায় এবং এতে ব্যতিক্রমী জারা প্রতিরোধের রয়েছে the এই ফিটিংটি এয়ার লাইনগুলিকে সংযোগ করার জন্য ব্যবহৃত হয় যা তামা নলগুলির সমন্বয়ে গঠিত। এটির একটি 90 ডিগ্রি কোণ রয়েছে এবং এটি পিতল দিয়ে তৈরি, তাই এটি কঠোর আবহাওয়ার পরিস্থিতি সহ্য করতে পারে

আমাদের সাথে যোগাযোগ

সম্পর্কে লেগাইন

লেজাইনস ইন্ডাস্ট্রিয়াল মেশিনারি ইনক।

একজন পেশাদার চীন ব্রাস ফিটিংস প্রস্তুতকারক হিসাবে এবং ফিটিং সরবরাহকারীদের উপর চাপ দেয় it এটি সম্পূর্ণ সিএনসি মেশিনিং গ্রহণ করে এবং 3600 বর্গমিটার ওয়ার্কশপ অঞ্চলটির মালিক। 45 স্বয়ংক্রিয় মেশিন সরঞ্জাম, 35 আধা-স্বয়ংক্রিয় সিএনসি মেশিন সরঞ্জাম, পাশাপাশি বিতরণকারীরা যারা চীনে আমেরিকান স্ট্যান্ডার্ড ব্রাস অংশগুলি উত্পাদনের জন্য গুরুত্বপূর্ণ সরবরাহকারী হয়েছেন ...
  • সম্মান
  • সম্মান

নির্দেশাবলী & সংবাদ