legines.com
ল্যাং
39# SAE 45 ° ফ্লেয়ার ব্রাস ফিটিংস ফ্লেয়ার প্লাগ

39# SAE 45 ° ফ্লেয়ার ব্রাস ফিটিংস ফ্লেয়ার প্লাগ

পণ্য বৈশিষ্ট্য:
■■ সমস্ত পিতল নির্মাণ
■■ দীর্ঘ বাদাম ব্যবহারের সাথে কম্পন প্রতিরোধ করে
■■ উল তালিকা
■■ SAE J512 এবং J513 এর কার্যকরী প্রয়োজনীয়তা


বাজার: অ্যাপ্লিকেশন:
■■ রেফ্রিজারেশন ■■ রেফ্রিজারেন্ট লাইন
■■ ভারী শুল্ক ট্রাক ■■ প্রোপেন
■■ মোবাইল ■■ জ্বালানী
■■ শিল্প ■■ অ্যাডাপ্টার
■■ উত্তাপ ■■ প্রাকৃতিক গ্যাস
■■ এয়ার কন্ডিশনার

রেফারেন্স অংশ নং:
58 -57 -439 -639F -পি 2 -পিএফ -2229 -10063 ~ 10069

আমাদের সাথে যোগাযোগ করুন

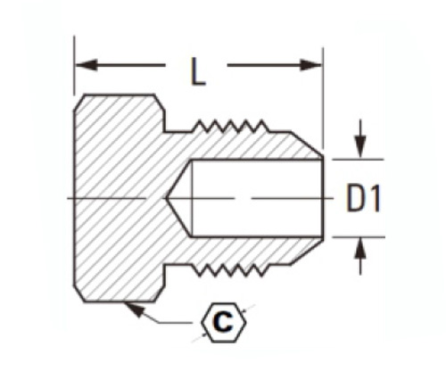
স্পেসিফিকেশন

অংশ# টিউব ওডি ডি 1 এল
39-2 1/8 7/16 .079 .47
39-3 3/16 1/2 .126 .58
39-4 1/4 9/16 .189 .69
39-5 5/16 5/8 .220 .79
39-6 3/8 3/4 .282 .88
39-8 1/2 7/8 .408 1.06
39-10 5/8 1-1/16 .502 1.19
39-12 3/4 1-5/16 .627 1.30

*রেফ.সাই নং 0.010109

এই SAE 45 ° ফ্লেয়ার ব্রাস ফিটিং রেফ্রিজারেশন, এয়ার কন্ডিশনার এবং প্রোপেন লাইনের জন্য আদর্শ। এটি কম্পন প্রতিরোধের জন্য একটি দীর্ঘ বাদাম বৈশিষ্ট্যযুক্ত এবং SAE J512 এবং J513 স্ট্যান্ডার্ডের সাথে সামঞ্জস্যপূর্ণ। এই ফিটিংটি উচ্চমানের ব্রাস দিয়ে তৈরি এবং উচ্চতর পারফরম্যান্স নিশ্চিত করার জন্য সঠিক মানগুলিতে উত্পাদিত হয়

আমাদের সাথে যোগাযোগ

সম্পর্কে লেগাইন

লেজাইনস ইন্ডাস্ট্রিয়াল মেশিনারি ইনক।

একজন পেশাদার চীন ব্রাস ফিটিংস প্রস্তুতকারক হিসাবে এবং ফিটিং সরবরাহকারীদের উপর চাপ দেয় it এটি সম্পূর্ণ সিএনসি মেশিনিং গ্রহণ করে এবং 3600 বর্গমিটার ওয়ার্কশপ অঞ্চলটির মালিক। 45 স্বয়ংক্রিয় মেশিন সরঞ্জাম, 35 আধা-স্বয়ংক্রিয় সিএনসি মেশিন সরঞ্জাম, পাশাপাশি বিতরণকারীরা যারা চীনে আমেরিকান স্ট্যান্ডার্ড ব্রাস অংশগুলি উত্পাদনের জন্য গুরুত্বপূর্ণ সরবরাহকারী হয়েছেন ...
  • সম্মান
  • সম্মান

নির্দেশাবলী & সংবাদ