legines.com
ল্যাং
54# SAE 45 ° ফ্লেয়ার ব্রাস ফিটিং জাল 45 ° পুরুষ কনুই

54# SAE 45 ° ফ্লেয়ার ব্রাস ফিটিং জাল 45 ° পুরুষ কনুই

পণ্য বৈশিষ্ট্য:
■■ সমস্ত পিতল নির্মাণ
■■ দীর্ঘ বাদাম ব্যবহারের সাথে কম্পন প্রতিরোধ করে
■■ উল তালিকা
■■ SAE J512 এবং J513 এর কার্যকরী প্রয়োজনীয়তা


বাজার: অ্যাপ্লিকেশন:
■■ রেফ্রিজারেশন ■■ রেফ্রিজারেন্ট লাইন
■■ ভারী শুল্ক ট্রাক ■■ প্রোপেন
■■ মোবাইল ■■ জ্বালানী
■■ শিল্প ■■ অ্যাডাপ্টার
■■ উত্তাপ ■■ প্রাকৃতিক গ্যাস
■■ এয়ার কন্ডিশনার

রেফারেন্স অংশ নং:
E415 -654F -47 -54 -59ff -4945 -159f -254 -10448-10459

আমাদের সাথে যোগাযোগ করুন

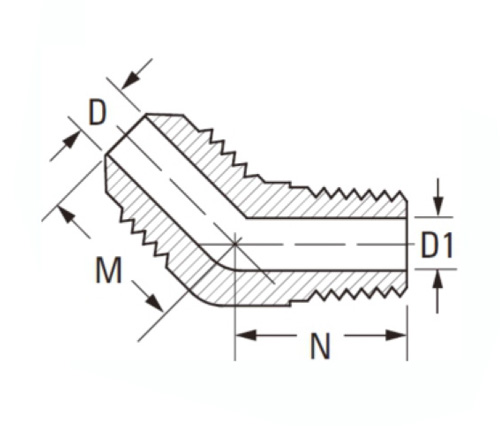
স্পেসিফিকেশন

অংশ#

ফ্লেয়ার ও.ডি × থার্ড

ডি

ডি 1

মি

এন

54-4 এ

1/4 × 1/8

.189

.219

.67

.64

54-4 বি

1/4 × 1/4

.189

.312

.75

.86

54-5a

5/16 × 1/8

.219

.219

.78

.64

54-5 বি

5/16 × 1/4

.219

.312

.81

.86

54-6 বি

3/8 × 1/4

.282

.312

.91

.86

54-6 সি

3/8 × 3/8

.282

.438

.93

.94

54-6 ডি

3/8 × 1/2

.282

.562

.99

1.17

54-8 সি

1/2 × 3/8

.408

.438

1.07

.88

54-8 ডি

1/2 × 1/2

.408

.562

1.12

1.17

54-10 সি

5/8 × 3/8

.500

.438

1.13

.95

54-10 ডি

5/8 × 1/2

.500

.562

1.13

1.17

54-12 ডি

3/4 × 1/2

.625

.750

1.28

1.17

54-12E

3/4 × 3/4

.625

.750

1.41

1.20

*রেফ.সাই নং 0.010302

এটি একটি SAE 45 ° ফ্লেয়ার ব্রাস ফিটিং যা একটি নকল 45 ° পুরুষ কনুই বৈশিষ্ট্যযুক্ত B ব্রাস নির্মাণ এই ফিটিংটিকে অত্যন্ত নির্ভরযোগ্য এবং টেকসই করে তোলে। SAE J512 এবং J513 এর কার্যকরী প্রয়োজনীয়তাগুলি এই ফিটিংয়ের দ্বারা পূরণ করা হয়, যখন দীর্ঘ বাদামের ব্যবহার ব্যবহারের সাথে কম্পন হ্রাস করে।

আমাদের সাথে যোগাযোগ

সম্পর্কে লেগাইন

লেজাইনস ইন্ডাস্ট্রিয়াল মেশিনারি ইনক।

একজন পেশাদার চীন ব্রাস ফিটিংস প্রস্তুতকারক হিসাবে এবং ফিটিং সরবরাহকারীদের উপর চাপ দেয় it এটি সম্পূর্ণ সিএনসি মেশিনিং গ্রহণ করে এবং 3600 বর্গমিটার ওয়ার্কশপ অঞ্চলটির মালিক। 45 স্বয়ংক্রিয় মেশিন সরঞ্জাম, 35 আধা-স্বয়ংক্রিয় সিএনসি মেশিন সরঞ্জাম, পাশাপাশি বিতরণকারীরা যারা চীনে আমেরিকান স্ট্যান্ডার্ড ব্রাস অংশগুলি উত্পাদনের জন্য গুরুত্বপূর্ণ সরবরাহকারী হয়েছেন ...
  • সম্মান
  • সম্মান

নির্দেশাবলী & সংবাদ