legines.com
ল্যাং
45# SAE 45 ° ফ্লেয়ার ব্রাস নকল পুরুষ শাখা টি

45# SAE 45 ° ফ্লেয়ার ব্রাস নকল পুরুষ শাখা টি

পণ্য বৈশিষ্ট্য:
■■ সমস্ত পিতল নির্মাণ
■■ দীর্ঘ বাদাম ব্যবহারের সাথে কম্পন প্রতিরোধ করে
■■ উল তালিকা
■■ SAE J512 এবং J513 এর কার্যকরী প্রয়োজনীয়তা


বাজার: অ্যাপ্লিকেশন:
■■ রেফ্রিজারেশন ■■ রেফ্রিজারেন্ট লাইন
■■ ভারী শুল্ক ট্রাক ■■ প্রোপেন
■■ মোবাইল ■■ জ্বালানী
■■ শিল্প ■■ অ্যাডাপ্টার
■■ উত্তাপ ■■ প্রাকৃতিক গ্যাস
■■ এয়ার কন্ডিশনার

রেফারেন্স অংশ নং:
টি 1 -145F -45 -10203 থেকে 10221

আমাদের সাথে যোগাযোগ করুন

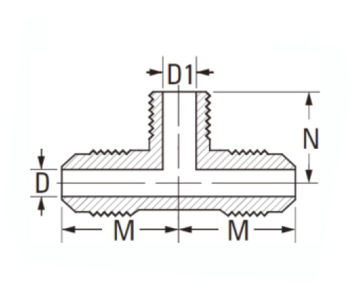
স্পেসিফিকেশন

অংশ#

ফ্লেয়ার ও.ডি × থারেড

ডি

মি

এন

45-3 এ

3/16 × 1/8

.126

.75

.75

45-4 এ

1/4 × 1/8

.189

.78

.78

45-4 বি

1/4 × 1/4

.189

.88

.88

45-5 এ

5/16 × 1/8

.219

.88

.80

45-5 বি

5/16 × 1/4

.219

1.00

.94

45-6 বি

3/8 × 1/4

.282

1.00

.94

45-6 সি

3/8 × 3/8

.282

1.00

1.00

45-6 ডি

3/8 × 1/2

.282

1.12

1.12

45-8 সি

1/2 × 3/8

.408

1.16

1.09

45-8 ডি

1/2 × 1/2

.408

1.22

1.22

45-1OD

5/8 × 1/2

.500

1.41

1.31

45-12 ডি

3/4 × 1/2

.625

1.63

1.59

45-12E

3/4 × 3/4

.625

1.63

1.44

*রেফ.সাই নং 0.010425

45 ° ফ্লেয়ার ব্রাস পুরুষ শাখা টি আপনার পাইপিং সিস্টেমের জন্য বিকল্প সরবরাহ করে। এই থ্রেডযুক্ত ফিটিংগুলি সর্বজনীন যে এগুলি শিল্পের মানগুলির প্রয়োজন অনুসারে ফ্লেয়ার বা স্পিগট প্রান্তগুলির সাথে কাজ করার জন্য উভয় পক্ষেই ব্যবহার করা যেতে পারে। আমাদের সমস্ত পণ্য পিতল দিয়ে তৈরি এবং উভয়ই টেকসই এবং নির্ভরযোগ্য। ইউনিটটি উল তালিকাভুক্ত এবং SAE J512 এবং J513 এর কার্যকরী প্রয়োজনীয়তা পূরণ করে। অনুরোধের ভিত্তিতে অতিরিক্ত আকার উপলব্ধ।

আমাদের সাথে যোগাযোগ

সম্পর্কে লেগাইন

লেজাইনস ইন্ডাস্ট্রিয়াল মেশিনারি ইনক।

একজন পেশাদার চীন ব্রাস ফিটিংস প্রস্তুতকারক হিসাবে এবং ফিটিং সরবরাহকারীদের উপর চাপ দেয় it এটি সম্পূর্ণ সিএনসি মেশিনিং গ্রহণ করে এবং 3600 বর্গমিটার ওয়ার্কশপ অঞ্চলটির মালিক। 45 স্বয়ংক্রিয় মেশিন সরঞ্জাম, 35 আধা-স্বয়ংক্রিয় সিএনসি মেশিন সরঞ্জাম, পাশাপাশি বিতরণকারীরা যারা চীনে আমেরিকান স্ট্যান্ডার্ড ব্রাস অংশগুলি উত্পাদনের জন্য গুরুত্বপূর্ণ সরবরাহকারী হয়েছেন ...
  • সম্মান
  • সম্মান

নির্দেশাবলী & সংবাদ