legines.com
ল্যাং
72# সংকোচনের জিনিসপত্র পুরুষ শাখা টি

72# সংকোচনের জিনিসপত্র পুরুষ শাখা টি

অ্যাপ্লিকেশন: বাজার:
■■ এয়ার লাইন ■■ শিল্প
■■ তৈলাক্তকরণ লাইন ■■ প্যাকেজিং
■■ শীতল লাইন ■■ বায়ুসংক্রান্ত
■■ শিল্প ■■ মুদ্রণ
■■ যন্ত্রপাতি
■■ সংকোচকারী
■■ তরল স্থানান্তর

পণ্য বৈশিষ্ট্য:
■■ SAE J-512 এর কার্যকরী প্রয়োজনীয়তা পূরণ করে
■■ জ্বলনযোগ্য তরল জন্য তালিকাভুক্ত
■■ ব্রাস বা অ্যাসিটাল হাতা উপলব্ধ
■■ কোন টিউব প্রস্তুতি
■■ জাল এবং এক্সট্রুড আকার

রেফারেন্স অংশ নং:
72 -172 সি -এস 72 -72 এ

আমাদের সাথে যোগাযোগ করুন

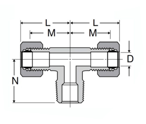
স্পেসিফিকেশন

অংশ#

টিউব ও.ডি × পুরুষ এনপিটিএফ

মি

এন

ডি

72-3 এ

3/16 × 1/8

.63

.69

.125

72-4 এ

1/4 × 1/8

.63

.75

.188

72-4 বি

1/4 × 1/4

.69

.88

.188

72-5 এ

5/16 × 1/8

.72

.75

.250

72-5 বি

5/16 × 1/4

.75

.88

.250

72-6 এ

3/8 × 1/8

.75

.75

.312

72-6 বি

3/8 × 1/4

.79

.87

.312

72-6 সি

3/8 × 3/8

.88

1.00

.330

72-8 সি

1/2 × 3/8

.94

1.09

.406

72-8 ডি

1/2 × 1/2

.97

1.19

.406

72-10 ডি

5/8 × 1/2

1.06

1.31

.500

সমস্ত সংক্ষেপণ ফিটিংগুলি SAE J-512 এবং উলের জ্বলনযোগ্য তরল জন্য তালিকাভুক্ত উলের কার্যকরী প্রয়োজনীয়তাগুলি পূরণ বা অতিক্রম করতে তৈরি করা হয়। এগুলি অ্যালুমিনিয়াম খাদ, পিতল বা অ্যাসিটাল থেকে তৈরি। আমাদের নকল এবং এক্সট্রুড আকারগুলি ক্ষতির জন্য উচ্চতর ডিগ্রি প্রতিরোধের থাকে যা সাধারণত আরও প্রচলিত ফিটিংগুলিতে ঘটে। আমরা যে কোনও আকার তৈরি করব যা আপনি সর্বোচ্চ 2 "পর্যন্ত কল্পনা করতে পারেন।
সংক্ষেপণ ফিটিংস পুরুষ শাখা টি হ'ল তামা, স্টেইনলেস স্টিল এবং থার্মোপ্লাস্টিক পাইপের সাথে ব্যবহারের জন্য 90 ° শাখা-প্রকারের টি ফিটিং। শক্ত কোণ এবং টি পাইপের সাথে সংযোগ স্থাপন করা আরও সহজ করার জন্য কনুই 360 swives সুইভেলস।

আমাদের সাথে যোগাযোগ

সম্পর্কে লেগাইন

লেজাইনস ইন্ডাস্ট্রিয়াল মেশিনারি ইনক।

একজন পেশাদার চীন ব্রাস ফিটিংস প্রস্তুতকারক হিসাবে এবং ফিটিং সরবরাহকারীদের উপর চাপ দেয় it এটি সম্পূর্ণ সিএনসি মেশিনিং গ্রহণ করে এবং 3600 বর্গমিটার ওয়ার্কশপ অঞ্চলটির মালিক। 45 স্বয়ংক্রিয় মেশিন সরঞ্জাম, 35 আধা-স্বয়ংক্রিয় সিএনসি মেশিন সরঞ্জাম, পাশাপাশি বিতরণকারীরা যারা চীনে আমেরিকান স্ট্যান্ডার্ড ব্রাস অংশগুলি উত্পাদনের জন্য গুরুত্বপূর্ণ সরবরাহকারী হয়েছেন ...
  • সম্মান
  • সম্মান

নির্দেশাবলী & সংবাদ