legines.com
ল্যাং
72# ব্রাস পুরুষ রান টি কমপ্রেশন ফিটিং

72# ব্রাস পুরুষ রান টি কমপ্রেশন ফিটিং

ব্রাস পুরুষ রান টি কমপ্রেশন ফিটিংস 71

অ্যাপ্লিকেশন: বাজার:
■■ এয়ার লাইন ■■ শিল্প
■■ তৈলাক্তকরণ লাইন ■■ প্যাকেজিং
■■ শীতল লাইন ■■ বায়ুসংক্রান্ত
■■ শিল্প ■■ মুদ্রণ
■■ যন্ত্রপাতি
■■ সংকোচকারী
■■ তরল স্থানান্তর

পণ্য বৈশিষ্ট্য:
■■ SAE J-512 এর কার্যকরী প্রয়োজনীয়তা পূরণ করে
■■ জ্বলনযোগ্য তরল জন্য তালিকাভুক্ত
■■ ব্রাস বা অ্যাসিটাল হাতা উপলব্ধ
■■ কোন টিউব প্রস্তুতি
■■ জাল এবং এক্সট্রুড আকার

71 -171 সি -71 এ -এস 71

আমাদের সাথে যোগাযোগ করুন

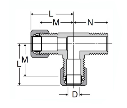
স্পেসিফিকেশন

অংশ#

টিউব ও.ডি × পুরুষ এনপিটিএফ

মি

এন

ডি

71-3 এ

3/16 × 1/8

.63

.69

.125

71-4 এ

1/4 × 1/8

.63

.75

.188

71-4 বি

1/4 × 1/4

.69

.88

.188

71-5 এ

5/16 × 1/8

.72

.75

.250

71-5 বি

5/16 × 1/4

.75

.88

.250

71-6 এ

3/8 × 1/8

.75

.75

.312

71-6 বি

3/8 × 1/4

.79

.87

.312

71-6 সি

3/8 × 3/8

.88

1.00

.330

71-8 সি

1/2 × 3/8

.94

1.09

.406

71-8 ডি

1/2 × 1/2

.97

1.19

.406

71-10 ডি

5/8 × 1/2

1.06

1.31

.500

আমাদের 72# ব্রাস পুরুষ রান টি কম সংক্ষেপণ ফিটিংগুলি SAE J-512 এর কার্যকরী প্রয়োজনীয়তাগুলি পূরণ করে এবং জ্বলনযোগ্য তরলের জন্য উল তালিকাভুক্ত হয়। এই ফিটিংগুলির কোনও টিউব প্রস্তুতি নেই, এবং নকল এবং এক্সট্রুড আকারগুলি রয়েছে। এগুলি ব্রাস, প্লাস্টিক এবং ধাতব হাতা সহ বিভিন্ন উপকরণে উপলব্ধ। এটিতে একটি ব্রাস বা অ্যাসিটাল হাতা বৈশিষ্ট্যযুক্ত এবং বিভিন্ন অ্যাপ্লিকেশন যেমন আন্ডার কেরিজেস, ট্রান্সমিশন এবং জ্বালানী সিস্টেমে ব্যবহার করা যেতে পারে। কোনও টিউব প্রস্তুতির প্রয়োজন নেই।

আমাদের সাথে যোগাযোগ

সম্পর্কে লেগাইন

লেজাইনস ইন্ডাস্ট্রিয়াল মেশিনারি ইনক।

একজন পেশাদার চীন ব্রাস ফিটিংস প্রস্তুতকারক হিসাবে এবং ফিটিং সরবরাহকারীদের উপর চাপ দেয় it এটি সম্পূর্ণ সিএনসি মেশিনিং গ্রহণ করে এবং 3600 বর্গমিটার ওয়ার্কশপ অঞ্চলটির মালিক। 45 স্বয়ংক্রিয় মেশিন সরঞ্জাম, 35 আধা-স্বয়ংক্রিয় সিএনসি মেশিন সরঞ্জাম, পাশাপাশি বিতরণকারীরা যারা চীনে আমেরিকান স্ট্যান্ডার্ড ব্রাস অংশগুলি উত্পাদনের জন্য গুরুত্বপূর্ণ সরবরাহকারী হয়েছেন ...
  • সম্মান
  • সম্মান

নির্দেশাবলী & সংবাদ