legines.com
ল্যাং
69# সংক্ষেপণ 90 ° ব্রাস পুরুষ কনুই

69# সংক্ষেপণ 90 ° ব্রাস পুরুষ কনুই

অ্যাপ্লিকেশন: বাজার:
■■ এয়ার লাইন ■■ শিল্প
■■ তৈলাক্তকরণ লাইন ■■ প্যাকেজিং
■■ শীতল লাইন ■■ বায়ুসংক্রান্ত
■■ শিল্প ■■ মুদ্রণ
■■ যন্ত্রপাতি
■■ সংকোচকারী
■■ তরল স্থানান্তর

পণ্য বৈশিষ্ট্য:
■■ SAE J-512 এর কার্যকরী প্রয়োজনীয়তা পূরণ করে
■■ জ্বলনযোগ্য তরল জন্য তালিকাভুক্ত
■■ ব্রাস বা অ্যাসিটাল হাতা উপলব্ধ
■■ কোন টিউব প্রস্তুতি
■■ জাল এবং এক্সট্রুড আকার

রেফারেন্স অংশ নং:
69 -169 -এস 69 -69 এ

আমাদের সাথে যোগাযোগ করুন

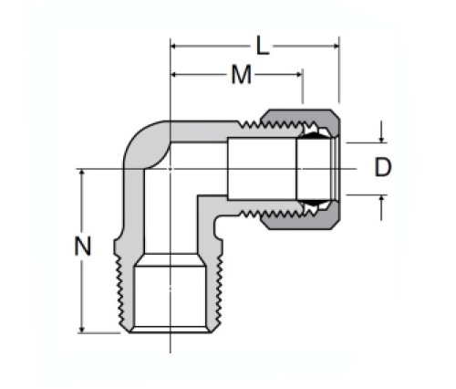
স্পেসিফিকেশন

অংশ# টিউব ও.ডি*পুরুষ এনপিটিএফ এন মি
69-2 এ 1/8*1/8 .68 .59
69-3 এ 3/16*1/8 .68 .62
69-3 বি 3/16*1/4 .85 .61
69-4 এ 1/4*1/8 .75 .62
69-4 বি 1/4*1/4 .91 .65
69-4 সি 1/4*3/8 .93 .72
69-4 ডি 1/4*1/2 1.11 .82
69-5 এ 5/16*1/8 .71 .67
69-5 বি 5/16*1/4 .82 .66
69-5 সি 5/16*3/8 .93 .81
69-5 ডি 5/16*1/2 1.12 .82
69-6 এ 3/8*1/8 .72 .72
69-6 বি 3/8*1/4 .88 .75
69-6 সি 3/8*3/8 .93 .81
69-6 ডি 3/8*1/2 1.18 .87
69-8 বি 1/2*1/4 .97 .88
69-8 সি 1/2*3/8 1.06 .88
69-8 ডি 1/2*1/2 1.13 .94
69-8E 1/2*3/4 1.25 1.16
69-10 সি 5/8*3/8 1.25 1.06
69-10 ডি 5/8*1/2 1.31 1.06
69-12 ডি 3/4*1/2 1.31 1.19
69-12E 3/4*3/4 1.38 1.19

*রেফ

আমাদের ব্রাস এবং অ্যাসিটাল 90 ° পুরুষ কনুই SAE J-512 অনুসারে ডিজাইন করা হয়েছে। এটি একটি সংক্ষেপণ যৌথ এবং একটি গঠিত শেষের সাথে সেই স্পেসিফিকেশনের কার্যকরী প্রয়োজনীয়তাগুলি পূরণ করে। ব্রাস বা অ্যাসিটাল হাতা একটি মেশিনযুক্ত ফ্ল্যাঞ্জে এম্বেড করা থাকে যা অনড়তা সরবরাহ করে, তবুও টিউব (গুলি) প্রস্তুতি ছাড়াই সন্নিবেশ করার অনুমতি দেয়।
90 ° পুরুষ ব্রাস কনুই ফিটিং টিউব প্রস্তুতির প্রয়োজন ছাড়াই টিউবিং সংযোগ করার জন্য ডিজাইন করা হয়েছে। এই সার্বজনীন ফিটিংটি অন্যান্য অনুরূপ ফিটিংগুলির সাথে জটিল পাইপিং সিস্টেমগুলি তৈরি করতে ব্যবহার করা যেতে পারে যা একত্রিত করা এবং রক্ষণাবেক্ষণ করা সহজ

আমাদের সাথে যোগাযোগ

সম্পর্কে লেগাইন

লেজাইনস ইন্ডাস্ট্রিয়াল মেশিনারি ইনক।

একজন পেশাদার চীন ব্রাস ফিটিংস প্রস্তুতকারক হিসাবে এবং ফিটিং সরবরাহকারীদের উপর চাপ দেয় it এটি সম্পূর্ণ সিএনসি মেশিনিং গ্রহণ করে এবং 3600 বর্গমিটার ওয়ার্কশপ অঞ্চলটির মালিক। 45 স্বয়ংক্রিয় মেশিন সরঞ্জাম, 35 আধা-স্বয়ংক্রিয় সিএনসি মেশিন সরঞ্জাম, পাশাপাশি বিতরণকারীরা যারা চীনে আমেরিকান স্ট্যান্ডার্ড ব্রাস অংশগুলি উত্পাদনের জন্য গুরুত্বপূর্ণ সরবরাহকারী হয়েছেন ...
  • সম্মান
  • সম্মান

নির্দেশাবলী & সংবাদ